Page top

Industrial Automation

Industrial Automation

E3Z-[]-UL

Compact Photoelectric Sensor with Built-in Amplifier

E3Z-[]-UL

The lineup has been expanded to standard photoelectric sensor E3Z series with UL certified products

(Unit: mm)

Tolerance class IT16 applies to dimensions in this data sheet unless otherwise specified.

Sensors

Through-beam*

* Models numbers for Through-beam Sensors (E3Z-T[][]) are for sets that include both the Emitter and Receiver.
   The model number of the Emitter is expressed by adding "-L" to the set model number (example: E3Z-T61-L-UL 2M), the model number of the Receiver, by adding "-D" (example: E3Z-T61-D-UL 2M.) Refer to Ordering Information to confirm model numbers for Emitter and Receivers.

Pre-wired Models

Standard Model
E3Z-T61(A)/T62
E3Z-T81(A)/T82
Laser Model
E3Z-LT61/LT81

E3Z-[]-UL Dimensions 4

IO-Link Model
E3Z-T81-IL[]

E3Z-[]-UL Dimensions 5

M8 Connector Models

Standard Model
E3Z-T66(A)/T67
E3Z-T86(A)/T87
Laser Model
E3Z-LT66/LT86

E3Z-[]-UL Dimensions 7

IO-Link Model
E3Z-T86-IL[]

E3Z-[]-UL Dimensions 8

Retro-reflective / Diffuse-reflective / Limited reflective

Pre-wired Models

Standard Model
E3Z-R61/R81
E3Z-D61/D62/D81/D82
E3Z-L61/L63/L81/L83
E3Z-B61/B62/B81/B82
Laser Model
E3Z-LR61/LR81

E3Z-[]-UL Dimensions 11

IO-Link Model
E3Z-R81-IL[]
E3Z-D82-IL[]
E3Z-L81-IL[]

E3Z-[]-UL Dimensions 12

M8 Connector Models

Standard Model
E3Z-R66/R86
E3Z-D66/D67/D86/D87
E3Z-L66/L68/L86/L88
E3Z-B66/B67/B86/B87
Laser Model
E3Z-LR66/LR86

E3Z-[]-UL Dimensions 14

IO-Link Model[]
E3Z-R86-IL[]
E3Z-D87-IL[]
E3Z-L86-IL[]

E3Z-[]-UL Dimensions 15

Distance-settable

Pre-wired Models

Standard Model
E3Z-LS61/LS63
E3Z-LS81/LS83
Laser Model
E3Z-LL61/LL63
E3Z-LL81/LL83

E3Z-[]-UL Dimensions 18

Connector Models

Standard Model
E3Z-LS66/LS68
E3Z-LS86/LS88
Laser Model
E3Z-LL66/LL68
E3Z-LL86/LL88

E3Z-[]-UL Dimensions 20

Accessories (Order Separately)

Slits

E39-S65A
E39-S65B
E39-S65C

E3Z-[]-UL Dimensions 23

E39-S65D
E39-S65E
E39-S65F

E3Z-[]-UL Dimensions 24

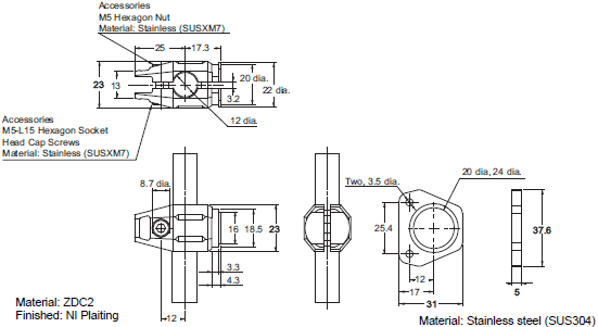
Mounting Brackets

E39-L44

E3Z-[]-UL Dimensions 26

E39-L104

E3Z-[]-UL Dimensions 27

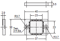
Reflector

E39-R1
E39-R1S

E3Z-[]-UL Dimensions 29

Materials
 Reflective surface: Acrylic
 Rear surface: ABS

Reflector (For Laser Model)

E39-R6

E3Z-[]-UL Dimensions 32

Materials
 Reflective surface: Acrylic
 Rear surface: ABS

E39-R12

E3Z-[]-UL Dimensions 33

Materials
 Reflector: Polycarbonate (surface)
                  Acrylic (interior)
 Frame: ABS

Mounting Brackets, Reflector

For details, refer to on the E39-L/E39-S/E39-R information available on the OMRON website.

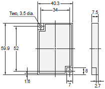
Flexible Mounting Bracket

E39-L261

E3Z-[]-UL Dimensions 36

Note: Accessories 2-M3-L10 Cross Recessed Pan Head Screws (Attached to SW+JIS)

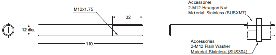
Post 50 mm

E39-L262

E3Z-[]-UL Dimensions 38

Material: Stainless steel (SUS304)

Post 100 mm

E39-L263

E3Z-[]-UL Dimensions 40

Material: Stainless steel (SUS304)

Air Blow Unit

E39-E16

E3Z-[]-UL Dimensions 42