Page top

Industrial Automation

Industrial Automation

S8V-CP

DC Electronic Circuit Protector (24 VDC 4 Outputs/8 Outputs Type)

S8V-CP

Simplified safety design of DC circuits Reliable DC circuit protection in the event of short circuits or overcurrent Saves space even with multi-channels Sequential start-up of outputs to avoid start-up trouble

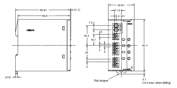
(Unit: mm)

Unit

S8V-CP0424

S8V-CP Dimensions 2

S8V-CP0424S

S8V-CP Dimensions 3

S8V-CP0824

S8V-CP Dimensions 4

DIN Rail Mounting (Order Separately)

Mounting Rail (Material: Aluminum)

PFP-100N
PFP-50N

S8V-CP Dimensions 6

Mounting Rail (Material: Aluminum)

PFP-100N2

S8V-CP Dimensions 7

End Plate

PFP-M

S8V-CP Dimensions 8

Note: If there is a possibility that the Unit will be subject to vibration or shock, use a steel DIN Rail. Otherwise, metallic filings may result from aluminum abrasion.