Page top

Industrial Automation

Industrial Automation

Viper 850

Articulated Robots

Viper 850

Articulated robot for machining, assembly, and material handling

ACE software is available to download from the Omron US website.

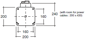
(Unit: mm)

Viper 850

Viper 850 Dimensions 1

Flange

Viper 850 Dimensions 2

Footprint

Viper 850 Dimensions 3

eMotionBlox-60R

Weight : 9.3 kg

Viper 850 Dimensions 4

Front panel

Viper 850 Dimensions 5