Page top

Industrial Automation

Industrial Automation

eCobra 800 Inverted Lite / Standard / Pro

SCARA Robots

eCobra 800 Inverted Lite / Standard / Pro

Overhead-mount large SCARA robot for precision machining, assembly, and material handling

ACE software is available to download from the Omron US website.

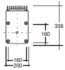
(Unit: mm)

eCobra Inverted 800

eCobra 800 Inverted Lite / Standard / Pro Dimensions 1

Flange

eCobra 800 Inverted Lite / Standard / Pro Dimensions 2

Footprint

eCobra 800 Inverted Lite / Standard / Pro Dimensions 3

Front panel

eCobra 800 Inverted Lite / Standard / Pro Dimensions 4