Page top

Industrial Automation

Industrial Automation

TL-N / -Q

Rectangular Standard Proximity Sensor

TL-N / -Q

A Wealth of Models for All Types of Applications

(Unit: mm)

Tolerance class IT16 applies to dimensions in this data sheet unless otherwise specified.

Sensors

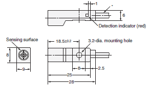
TL-Q2MC1

TL-N / -Q Dimensions 3

* 2.9-dia. vinyl-insulated round cable with 3 conductors
  (Conductor cross section: 0.15 mm2, Insulator diameter: 0.9 mm), Standard length: 2 m

TL-Q5M[][]

TL-N / -Q Dimensions 4

*1. B/C Models: 4-dia. vinyl-insulated round cable with 3 conductors (Conductor cross section: 0.2 mm2,
                         Insulator diameter: 1.2 mm), Standard length: 2 m
      D Models: 4-dia. vinyl-insulated round cable with 2 conductors (Conductor cross section: 0.3 mm2,
                        Insulator diameter: 1.3 mm), Standard length: 2 m
*2. B/C Models: Detection indicator (red)
      D Models: Operation indicator (red), Setting indicator (green)

TL-N7MD[], TL-N5ME[]

TL-N / -Q Dimensions 5

*1. D Models: 6-dia. vinyl-insulated round cable with 2 conductors (Conductor cross section: 0.5 mm2,
                         Insulator diameter: 1.9 mm), Standard length: 2 m
     E Models: 6-dia. vinyl-insulated round cable with 3 conductors (Conductor cross section: 0.5 mm2,
                        Insulator diameter: 1.9 mm), Standard length: 2 m
*2. D1 Models: Operation indicator (red), Setting indicator (green)
      D2 Models: Operation indicator (red)
      E Models: Detection indicator (red)

TL-N5MY[]

TL-N / -Q Dimensions 6

* 6-dia. vinyl-insulated round cable with 2 conductors
   (Conductor cross section: 0.5 mm2, Insulator diameter: 1.9 mm), Standard length: 2 m

TL-N12MD[], TL-N10ME[], TL-N10MY[]

TL-N / -Q Dimensions 7

*1. D/Y Models: 6-dia. vinyl-insulated round cable with 2 conductors
                           (Conductor cross section: 0.5 mm2, Insulator diameter: 1.9 mm), Standard length: 2 m
      E/Y Models: 6-dia. vinyl-insulated round cable with 3 conductors
                           (Conductor cross section: 0.5 mm2, Insulator diameter: 1.9 mm), Standard length: 2 m
*2. D1 Models: Operation indicator (red) and Setting indicator (green)
      D2 Models: Operation indicator (red)
      E/Y Models: Detection indicator (red)
      Y Models: Operation indicator (red)

TL-N20MD[], TL-N20ME[], TL-N20MY[]

TL-N / -Q Dimensions 8

*1. D/Y Models: 6-dia. vinyl-insulated round cable with 2 conductors
                           (Conductor cross section: 0.5 mm2, Insulator diameter: 1.9 mm), Standard length: 2 m
                           E Models: 6-dia. vinyl-insulated round cable with 3 conductors
                           (Conductor cross section: 0.5 mm2, Insulator diameter: 1.9 mm), Standard length: 2 m
*2. D1 Models: Operation indicator (red) and Setting indicator (green)
      D2 Models: Operation indicator (red)
      E Models: Detection indicator (red)
      Y Models: Operation indicator (red)

Accessories (Order Separately)

Mounting Bracket

Y92E-C5

TL-N / -Q Dimensions 11

Applicable Models: TL-N5ME[] *2
Applicable Models: TL-N5MY[]
Applicable Models: TL-N7MD[] *2
Material: Mounting Bracket: Zinc-plated iron
               Mounting Pan-head Phillips Screws: Nickel-plated iron (Size: M4, Length: 25 mm)

Y92E-C10

TL-N / -Q Dimensions 12

Applicable Models: TL-N10ME[] *2
Applicable Models: TL-N10MY[]
Applicable Models: TL-N12MD[] *2
Material: Mounting Bracket: Zinc-plated iron
               Mounting Pan-head Phillips Screws: Nickel-plated iron (Size: M4, Length: 30 mm)

Y92E-C20

TL-N / -Q Dimensions 13

Applicable Models: TL-N20ME[] *2
Applicable Models: TL-N20MY[]
Applicable Models: TL-N20MD[] *2
Material: Mounting Bracket: Zinc-plated iron
               Mounting Pan-head Phillips Screws: Nickel-plated iron (Size: M5, Length: 40 mm)

*1. These are the mounting dimensions of the base of the Mounting Bracket.
*2. Provided with the product.

Mounting Brackets for Wiring Conduit Use (Sold Separately)

Y92E-N5C15

TL-N / -Q Dimensions 16

Applicable Models: TL-N5ME[]
Applicable Models: TL-N5MY[]
Applicable Models: TL-N7MD[]
Material: Zinc-plated iron

Y92E-N10C15

TL-N / -Q Dimensions 17

Applicable Models: TL-N10ME[]
Applicable Models: TL-N10MY[]
Applicable Models: TL-N12MD[]
Material: Zinc-plated iron