Page top

Industrial Automation

Industrial Automation

F440-F

5-Megapixel C-Mount Smart Camera

F440-F

User-configurable smart camera.

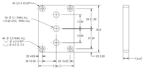
(Unit: mm)

F440-F C-Mount Smart Camera

F440-F Dimensions 1

¼-20 Camera Mounting Block Kit
V440-AM0

F440-F Dimensions 2

Smart Series R-70 Ring Light to F440-F Mounting Bracket Kit
V440-AM1

F440-F Dimensions 3

Smart Series R-100 Ring Light to F440-F Mounting Bracket Kit
V440-AM2

F440-F Dimensions 4

Smart Series R-70 Ring Light Polarizer Kit
98-9000301-01

F440-F Dimensions 5

Smart Series R-100 Ring Light Polarizer Kit
98-9000302-01

F440-F Dimensions 6

QX-1 Photo Sensor, M12 4-Pin Plug, NPN – 2 Meters – Light ON / Dark ON
99-9000016-01

F440-F Dimensions 7

QX-1 Interconnect Module – Power, Trigger, Smart Light Control Breakout
98-000103-02

F440-F Dimensions 8

QX-1 Field-Wireable M12 4-Pin Plug for Any Trigger Source or Photo Sensor – Screw Terminals
98-9000239-01

F440-F Dimensions 9

Power Supply, 100-240VAC, +24VDC, M12 12-Pin Socket – 1 Meter – U.S. / Euro Plug
97-000012-01

F440-F Dimensions 10

Single Port PoE Injector, 30W, IEEE802.3at Compliant, 2 x RJ45 Connector, 90 to 264VAC (Coming Soon)
98-9000311-01

F440-F Dimensions 11

Important: Power cord NOT included. (C13 connector required.)

Omron Microscan Smart Light Series – Integrated Power and Strobe Control Module
See Omron Microscan Smart Light Offering – Ring, DOAL, Large Area Lighting

F440-F Dimensions 13

Camera to QX-1 Interconnect Cables – 1 Meter, 3 Meters, or 5 Meters
M12 Socket to M12 Plug
QX-1 is used as breakout module for common IO signals and power.
V430-WQ-1M
V430-WQ-3M
V430-WQ-5M

F440-F Dimensions 14

M12 Socket to M12 Plug, with Power Filter – 300 mm
V430-WQF-1M

F440-F Dimensions 15

QX-1 M12 to Smart Light Power and Strobe Control Cables – 3 Meters
M12 Plug on QX-1 to 5 Pin Socket on Light
61-000204-01 (Continuous Power)
61-000218-01 (Strobe Control)

F440-F Dimensions 16

Y Cable, Camera/Power and Smart Light Power (Continuous On) – 1 Meter
61-9000135-01
Y Cable, Camera/Power and Smart Light Strobe Control – 1 Meter
61-9000137-01

F440-F Dimensions 17

M12 to Flying Leads Cable, Straight Power, IO, RS-232, USB – 3 Meters or 5 Meters
V430-W8-3M
V430-W8-5M

F440-F Dimensions 18

M12 to Flying Leads Cable, with Power Filter – 3 Meters or 5 Meters
V430-W8F-3M
V430-W8F-5M

F440-F Dimensions 19

M12 to RS-232 Breakout – 1 Meter or 3 Meters
V430-WR-1M
V430-WR-3M

F440-F Dimensions 20

Camera to QX-1 Interconnect Cables with RS-232 Breakout – 2.7 Meters
V430-WQR-3M

F440-F Dimensions 21

Camera to QX-1 Interconnect Cables with USB Keyboard Wedge Breakout – 2.7 Meters
V430-WQK-3M

F440-F Dimensions 22

Smart Series Light Cable 5 Pin M12 Female to Flying Leads, 3 Meters and 5 Meters
61-000186-01
61-000187-01

F440-F Dimensions 23

Omron S8VK-C06024 Power Supply

F440-F Dimensions 24

Spot Light Extension Cable, Flying Leads, 5M

F440-F Dimensions 25

Kit, Spot Light, Blue, Telecentric Lens with Flying Leads Extension Cable
98-9000304-01

F440-F Dimensions 26

Industrial High-Flex Ethernet Cables with Jack Screws and RJ45, 2 Meters, 5 Meters, and 7 Meters
98-000133-01
98-000134-01
98-000134-02

Industrial High-Flex Ethernet Cables

Industrial High-Flex cables provide an interface between F440-F cameras and other devices. 

These cables are designed for harsh environments that could damage a traditional CAT 5 cable.
The overmold design provides increased strain relief. Thumbscrew locking keeps the connection
secure despite shock and vibration. The double-shielded design provides extra protection in
industrial applications. 

High-Flex cables are designed to withstand 12 million+ flex cycles. The TPE jacket provides
 additional protection from elements such as oil, water, and abrasion.

F440-F Dimensions 29