Page top

Industrial Automation

Industrial Automation

H3DT-N / -L

Multi-range, Multi-mode Timer

H3DT-N / -L

Our Value Design Products Increase the Value of Your Control Panels. Multiple time ranges and operating modes let you cover a wide range of applications.

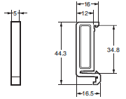
(Unit: mm)

Timers

H3DT-N
H3DT-L

H3DT-N / -L Dimensions 1

Track Mounting Products (Sold Separately)

DIN Track
PFP-100N
PFP-50N

H3DT-N / -L Dimensions 2

DIN Track
PFP-100N2

H3DT-N / -L Dimensions 3

End Plate
PFP-M

H3DT-N / -L Dimensions 4

Spacer
PFP-S

H3DT-N / -L Dimensions 5

Note: 1. Order the above products in multiples of 10.
         2. The Tracks conform to DIN standards.

Options (Order Separately)

Front Cover
Y92A-D1A

H3DT-N / -L Dimensions 7