Page top

Industrial Automation

Industrial Automation

A30NN / A30NL

Pushbutton Switches

A30NN / A30NL

30-mm dia. Pushbutton Switches Control panel miniaturization through a more compact design and modified wiring direction. Addition of Push-In Plus terminal blocks for easy wiring. Workability and safety improvements.

(Unit: mm)

Lighted and Non-lighted Pushbutton Switches

Flat Switches with Brushed Metal Bezels

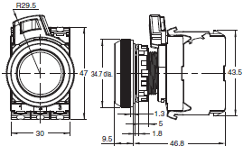
A30N[]-MN[]-N[]A-G[]-[][]

A30NN / A30NL Dimensions 2

A30N[]-MN[]-N[]A-P[]-[][]

A30NN / A30NL Dimensions 3

A30N[]-MN[]-T[]A-G[]-[][]

A30NN / A30NL Dimensions 4

A30N[]-MN[]-T[]A-P[]-[][]

A30NN / A30NL Dimensions 5

Projected Switches with Brushed Metal Bezels

A30N[]-MP[]-[][]A-G[]-[][]

A30NN / A30NL Dimensions 6

A30N[]-MP[]-[][]A-P[]-[][]

A30NN / A30NL Dimensions 7

Full-guard Switches with Brushed Metal Bezels

A30N[]-MG[]-[][]A-G[]-[][]

A30NN / A30NL Dimensions 8

A30N[]-MG[]-[][]A-P[]-[][]

A30NN / A30NL Dimensions 9

Mushroom Switches with Brushed Metal Bezels

A30N[]-MM[]-[][]A-G[]-[][]

A30NN / A30NL Dimensions 10

A30N[]-MM[]-[][]A-P[]-[][]

A30NN / A30NL Dimensions 11

Depth with Linked Units

(Screw terminal block type)

A30NN / A30NL Dimensions 12

Depth when a double-contact unit is mounted

(Push-In Plus terminal block type)

A30NN / A30NL Dimensions 13

Subassemblies (Common)

LED Lamps

A22NZ-L-[][]

A30NN / A30NL Dimensions 15

Mounting Collar

A22NZ-H-01

A30NN / A30NL Dimensions 16

Screw terminal block

Contact Blocks

A22NZ-S-G1[]

A30NN / A30NL Dimensions 18

Lighting Units

A22NZ-T-[]

A30NN / A30NL Dimensions 19

Push-In Plus Terminal Blocks

Contact Blocks (Single Contact)

A22NZ-S-P1[]

A30NN / A30NL Dimensions 21

Contact Blocks (Double Contact)

A22NZ-S-P2[]

A30NN / A30NL Dimensions 22

Lighting Units

A22NZ-T-[]P

A30NN / A30NL Dimensions 23

Accessories and Tools

Protective Cover

A22NZ-A303

A30NN / A30NL Dimensions 25

Plastic Hole Plug

A22NZ-A-401

A30NN / A30NL Dimensions 26

Metal Hole Plug

A22NZ-A-402

A30NN / A30NL Dimensions 27

Lock Ring

A22NZ-A-403

A30NN / A30NL Dimensions 28

Lock Ring

A22NZ-A-50501

A30NN / A30NL Dimensions 29

Reinforcement Plate

A22NZ-A-C01

A30NN / A30NL Dimensions 30

Control Box

A22NZ-A-B101
A22NZ-A-B101Y

A30NN / A30NL Dimensions 31

Control Box (2 holes)

A22NZ-A-B102

A30NN / A30NL Dimensions 32

Control Box (3 holes)

A22NZ-A-B103

A30NN / A30NL Dimensions 33

Control Box

A22NZ-A-B201
A22NZ-A-B01Y

A30NN / A30NL Dimensions 34

Control Box (2 holes)

A22NZ-A-B202

A30NN / A30NL Dimensions 35

Control Box (2 holes)

A22NZ-A-B202

A30NN / A30NL Dimensions 36

Sealing cap

For Flat Models A22Z-3600F

A30NN / A30NL Dimensions 37

For projection models A22Z-3600T

A30NN / A30NL Dimensions 38

For full-guard models A22Z-3600G

A30NN / A30NL Dimensions 39

Resin Attachment for 30 dia.

A22Z-A30

A30NN / A30NL Dimensions 40

Legend Plate Frames

General A22NZ-A-50103

A30NN / A30NL Dimensions 41

Large A22NZ-A-51103

A30NN / A30NL Dimensions 42

Legend Plates

General A22Z-3443[]-[]

A30NN / A30NL Dimensions 43

Large A22Z-3453[]

A30NN / A30NL Dimensions 44

Tightening Wrench

A22NZ-A-301

A30NN / A30NL Dimensions 45

LED Lamp Extractor

A22NZ-A-302

A30NN / A30NL Dimensions 46

Cap Tightening Wrench

A22Z-3908

A30NN / A30NL Dimensions 47