Page top

Industrial Automation

Industrial Automation

Discontinued On Mar. 2019

G70R-SOC08

Relay Terminal

G70R-SOC08

Space-saving and Labor-saving 8-point Output Block

* Information in this page is a reference that you created on the basis of information in the product catalog before the end of production, may be different from the current situation, such as goods for / supported standards options / price / features of the product. Before using, please check the compatibility and safety system.

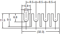
(Unit: mm)

Relay Terminal

G70R-SOC08

G70R-SOC08 Dimensions 2

Accessories (Order Separately)

Short Bar

G6B-4-SB

G70R-SOC08 Dimensions 4